消除在LED照明应用中的光闪烁
Minimizing Light Flicker in LED Lighting Applications
摘要
将LED用于离线式替代型灯具(retrofit lamps)中,看似为一简单直接的作法,但要达到和用户想以之替代的传统型灯具类似的照明质量,仍有许多细节要注意。为避免来自各地客户的抱怨,在设计LED灯时,就要特别考虑光闪烁问题。本应用笔记介绍了和驱动器拓扑结构及LED特性相关的LED灯闪烁的现象,并提供了多种使用立锜LED驱动器搭配专用LED灯串组合而成的解决方案。本文也将介绍说明用于测量LED灯之光闪烁的一种实际测量方法。
本应用笔记中提到的立锜LED驱动器组件,有含PFC返驰式拓扑结构的RT7302、含PFC降压拓扑结构的RT8487、线性拓扑结构的RT7321和含PFC MR-16 LED驱动器RT8479。
1. LED灯的光闪烁之特性
优质的室内照明需要均匀分布的光,这来自于稳定的光输出和合适的色温。人眼对较低频率下的光强度变化比较敏感,光强度的波动会导致身体不适、眼睛疲劳或头痛。
基本上LED灯有两种可能会发生的光闪烁:
- 和交流电网频率相关的光波动,通常是双倍的电网频率(例如:电网频率是50Hz,光波动频率即为100Hz,电网频率60Hz,光波动频率即为120Hz)
- 随机型的光强度波动(往往由于LED灯和外围照明组件的不兼容而造成)
虽然对大多数人而言,75Hz以上的闪烁是不会被注意到的,但是闪烁的感知不只和频率有关,也和光输出的波峰和波谷的强度(即强度调变)及这些变化持续的时间有关。图一显示针对此效应的两种量化方法:

图一、闪烁的量化方法(IES手册第10版)
量测闪烁百分比是非常简单的,而且它是可以用在一般具有周期性变化且波形相对对称的光源。然而,具有非对称波形或呈现非周期性闪烁的光源,闪烁指数则是一个较好量化闪烁的方式,因为它有考虑到波形形状的差异(即工作周期)。
传统光源并非完全没有闪烁:白炽灯的闪烁相对较低,其闪烁百分比约为10〜20%,这是由于灯丝加热的时间常数较长。用电磁式镇流器的节能灯,它的闪烁则相当高:闪烁百分比高达37〜70%。使用电子式镇流器的节能灯,它的闪烁较低:闪烁百分比只有5%左右。
目前,针对LED灯最大可接受的闪烁还没有明确的标准存在,但许多LED照明厂商规定:在100Hz - 120Hz的频率范围内,闪烁百分比须小于30%。
LED的光输出和流过LED的电流有直接关系,也就是LED的光输出会立即反应出变化的LED电流。因此,若希望LED灯完全无闪烁的话,首先需要有一稳定的LED驱动电流。
2. 闪烁、LED电流和LED电压纹波之间的关系
若要知道光闪烁、LED电流纹波和LED驱动器输出电压纹波之间的关系,首先要先了解LED灯串的特性。
图二显示了Cree公司的高亮度LED产品,XLAMP MX-6 LED,它的电流和相对光通量之间的关系。

图二、以Cree之高亮度LED产品为例,用LED电流纹波可推算其光通量之变化
图中显示一正弦形LED电流纹波,它的光通量的变化可因此被推断出来:LED电流的改变会直接改变它的光输出,但可以看出,两者之间不是完全线性的关系,因此LED电流纹波和其衍生的闪烁百分比之间也不是线性的关系。对于大多数LED而言,光闪烁百分比是低于电流变化百分比的。
在大多数离线式LED驱动器中,电路参数会影响LED输出电压纹波,而LED电流纹波则是受电压纹波影响的。因此,重要的是要知道在整个LED灯串上的电压纹波和流过LED的电流纹波之间的关系,它们之间的关系可以从图三LED的I/V曲线得知。(相同的Cree公司产品,XLAMP MX-6 LED)

图三、用LED I/V曲线来量测动态电阻
LED在各工作点上的动态电阻决定了LED上的电压纹波和由此产生、流过LED灯的电流纹波二者之间的关系。LED的动态电阻相当小,所以这表示一个非常小的电压纹波就已经可以产生很大的电流纹波。因为I/V曲线的斜率随不同的工作点而不同,动态电阻是以LED的平均电流作为它的工作点来决定。
大多数LED灯泡用到数个LED。当LED串联时,动态电阻需要乘上LED的数量;当LED并联时,动态电阻则需要除以并联的LED的数目。
3. 离线式LED驱动器的基本电路
要了解离线式LED灯有100Hz/120Hz闪烁的原因,就须先了解由交流电源供电的LED驱动器的基本操作。其基本电路示于图四:

图四、基本的离线开关式LED驱动器
在大多数单级离线式LED驱动器中,转换器可以是由降压、升降压或返驰式转换器构成的,它会将(整流过的)电源电压转换为合适的输出电压来驱动LED灯串。主要的反馈回路是透过LED电流检测,以提供定电流(平均值)至LED灯串。
若要LED没有闪烁,LED电流(ILED)就必须是一个稳定的直流电流,而LED上的电压(VLED)也因此会是一个固定的直流电压。由于电网电压是一正弦波,所以LED应用电路中必须包含至少一个电压缓冲组件来将交流电压转换成直流电压,图四中的C1或C2都可以作为缓冲组件。
低功率因数的应用:

图五、低功率因数转换器
以C1作为缓冲器件(如图五中,C1用较大的电容值),可提供转换器一个相对稳定的直流输入电压,并且因有快速电流反馈控制回路,输出电流IOUT也较稳定。C2只是用来过滤转换器中的高频开关噪声,所以它可以用相当小的电容值。因为在LED电流中,和电网频率相同的成份是较小的,所以100Hz/120Hz的闪烁也较少。然而,选用一个大的C1电容值将造成脉冲状的输入电流,进而导致较低的功率因数,同时也造成电网电流IIN会有较高的谐波失真。这种解决方案通常仅被使用于低功率(<6W)的LED驱动器应用当中。
高功率因数的应用:

图六、高功率因数转换器
近来,大多数高功率的LED灯泡都要求有好的功率因数和低输入电流谐波。所以如图六中所示,C1必须使用较小的电容,且转换器需要一低带宽的控制回路才能尽可能维持正弦波形的输入电流。高功率因数转换器的输出电流近似于正弦波二次方的函数,也就是倍频的余弦波波形,而LED的平均电流即为余弦波的平均值(mean value)。现在电压缓冲器件是C2,它是用来降低整个LED灯串电压上的纹波。明显地,若要达到非常小的LED电压纹波就需要非常大的C2电容值。输出电压纹波与LED的特性,共同决定了LED电流纹波及随之而来的LED灯泡的100Hz/120Hz闪烁。
控制高功率因数校正(PFC)单级LED驱动器的闪烁的设计方法如下:
a. 定出最大闪烁百分比的要求(通常为30%左右)
b. 从光通量与正向导通电流的关系曲线,决定最大LED电流峰至峰的变化(ILED_PP)
c. 从LED的I / V曲线上,找出LED在该工作点的动态电阻RDYNAMIC_TOTAL
d. 找出跨在整个LED灯串上,最大峰至峰的纹波电压VOUT_PP:

e. 确定所需的输出电容值:

其中:
IOUT_PP 为2倍 LED的平均电流(对高功率因数转换器而言,是很好的一近似值)
VOUT_PP 是在LED灯串上所允许的峰至峰输出电压纹波
f 是两倍的电网频率。
以下的章节会介绍几个用于特定闪烁百分比的离线式LED驱动器的例子,也将会解释如何计算和测量,并且探讨一些降低LED闪烁现象的解决方案。
4. 采用RT7302的20W隔离式高功率因数LED驱动器
RT7302GS是一采用恒定导通时间控制算法的初级侧调节返驰式LED恒流驱动器,为的是要有高功率因数。该转换器采用了临界切换导通模式。
下图显示一个20W 用于T8的参考设计。最大光闪烁定于30%。

图七、外形狭长、用于T8管的RT7302参考设计
如图所示,这个20W 参考设计用于由8个并联的LED灯串构成的长型T8灯具。每一灯串是由16个LED串联而成,所用LED是艾笛森光电PLCC 3022 0.2W系列。LED灯串组合在400mA的总电流下的正向电压可达49V,而每个LED灯串则流过50mA的电流。
图八是取自LED PLCC 3022规格书中的曲线图,藉此可以得到所允许的电流纹波和LED灯串组合的动态电阻。

图八、此特性图取自低功率LED PLCC 3022规格书
从亮度对电流的曲线图可知:当光闪烁为30%时,LED的电流变化可达+/-17.5毫安或35%。总灯串组合(8灯串并联)中,LED电流的峰至峰值则可高达280mApp。从I/V曲线可知:在一LED 50毫安的工作点下,它的动态电阻是7.5Ω。总LED灯串组合的动态电阻则是7.5×16/8 =15Ω。
整个灯串组合所被允许的电压纹波是可以计算出来的:

图九所示是一个20W LED驱动器的电路图,是一个高功率因数设计,也就是在次级绕组的输出电流有较多低频率的纹波,其频率为两倍的电网频率。主要的缓冲器件就是输出电容EC1。

图九、采用RT7302的20W隔离型高功率因数LED驱动器
对于电网频率为50Hz的设计,输出电容值可如下估计:

选用330μF作为EC1的电容值。
下图十显示在230V /50Hz的输入下,使用330μF的输出电容时,转换器的输出电流,LED电压,LED电流和光输出等的测量值。

图十
紫色波形是转换器的输出电流,所有高频开关切换的成分都已除去,它的振幅为LED平均电流的两倍且其频率为100Hz。由于有较大的输出电容,LED的电压纹波是3.7VPP。LED的平均电流为400mA,其纹波为279mApp,即34.8%。LED灯串组的动态电阻是略低于从LED图表计算出来的值:3.7V/279mA = 13.6Ω。
在右侧示波器图形显示的是LED电流和测得的光输出(光量测是由自制的光传感器完成的,见第九章)。LED电流纹波为34.8%,测得的闪烁是30.4%,非常接近所要求的值。
5. 采用RT8487 的非隔离、高功率因数10W LED驱动器
RT8487是一个可以用在非隔离降压及升降压型应用中的高功率因数LED驱动器控制器。控制器采用临界导通模式下的谐振开关切换技术。下面的应用实例是10W的设计,它使用16个Cree XLAMP MX-6 LED串连在一起,LED灯串电压为49V。

图十一、 RT8487非隔离、高功率因数10W LED驱动器
此驱动器专为平均输出电流200mA而设计,它的闪烁百分比定为30%。LED的纹波电流和电压可以从下面的图表而得知。

图十二、Cree XLAMP MX-6 LED 的特性曲线
从亮度对电流的曲线图可知:30%的光闪烁,LED电流的变化是+/-70mA或35%。从I/V曲线可知:在工作点200mA下LED的动态电阻是1.7Ω。LED灯串组的动态电阻则是1.7 *16 =27.2Ω(注意,在低电流时,LED的动态电阻较高)。整体灯串组合被允许的电压纹波可以计算如下:

LED驱动器的应用电路图如图十三,RT8487被使用于浮地式的降压拓扑结构中,IC工作电源由自举电路 (bootstrap circuit)提供,该电路只使用标准的鼓形线圈电感器。

图十三、RT8487在浮地式降压拓扑结构中的10W高功率因数设计
对于电网频率为50Hz的设计,所需的输出电容值可如下估计:

选用220μF作为输出电容EC1的电容值。图十四为该转换器的输出量测结果

图十四
紫色波形是转换器的输出电流,所有高频开关切换信号都已滤除,它的交流振幅为424mApp,比LED平均电流的两倍还高出一些。由于使用较大的输出电容,LED的电压纹波是3.07VPP,比原先所计算的值稍低。 LED的平均电流为200mA,其纹波为120mApp,即30%。LED灯串组的动态电阻是略低于从LED图表计算出来的值:3.07V/120mA = 25.6Ω。
在右侧示波器图形显示的是LED电流和测得的光输出(光量测是由自制的光传感器完成的,见第九章)。所测得的闪烁是26.1%,远低于所要求的最大值。
6. 100Hz / 120Hz 抑制闪烁解决方案
从前面所讨论的例子中,可明显看出单级高功率因数校正的设计将会产生一些和电网频率相关的闪烁。闪烁的大小取决于电网频率、转换器输出电流的交流振幅、输出电容的大小、光输出与电流的关系和LED灯串的动态电阻等。转换器输出电流的波形和功率因数有关。
要减少在单级高功率因数校正的LED驱动器中100/120Hz的闪烁,就必须减少LED电流纹波。以下为几种可能的方式:
1.减少转换器输出电流的峰至峰振幅,这可以借着降低设计的功率因数、增加输入电容、增加电流反馈回路的速度等而达到。这样一来, PF (power factor) 和THD (Total Harmonic Distortion) 可能都无法符合要求,这个解决方案通常只用于低功率设计中。
2.增加输出电容。为减小纹波至非常低的水平,就必须要有一个非常大的电容器,如此即增加了成本和体积。
3.增加LED灯串的动态电阻:可以选择有较高RDYNAMIC的LED,或使LED工作在I/V曲线较低的区域。也可以在LED灯串上再串联一电阻,然而这将增加额外的功耗,也会降低转换器的效率。
4.也可使用一个线性后调节器来消除输出电压纹波,从而减小LED的电流纹波,图十五是一个简单的电路解决方案。

图十五、用NPN或PNP晶体管所作的消除LED纹波电路
上图的电路是一个自给偏压的射极跟随器。利用达林顿组态,可以使得基极的阻抗维持相当高,所以只需很小的电容即可过滤100Hz的纹波。这个电路可以使用NPN晶体管放在VOUT端来实现,或者使用PNP晶体管放在GND端实现。
加上这样的电路可将LED电流纹波降到非常低的值,甚至接近0%。这种消除LED电流纹波电路的缺点是会有额外的功耗消耗在Q2上,因而降低了LED驱动器的效率。在Q2上的功耗可以由 (VOUTPP/2 +1.2V)*ILED 来估计。
图十六显示了消除LED纹波电路和10W的LED驱动器一起测试的结果。图中加入的齐纳二极管ZD2是用来在启动期间加速滤波电容的充电的。

图十六、纹波消除电路在10W LED驱动器中的应用及其测试结果
放入纹波消除电路之后,LED的电流可说是完全平稳的,也就是完全无闪烁。然就10W的LED驱动器而言,单单Q2的功耗即约0.63W,LED驱动器的效率立即从89%下降到84.5%,如此高的功耗使得纹波消除电路这样的解决方案通常仅适用于较低功率的系统中。
高功率LED驱动器无闪烁的工作情况:
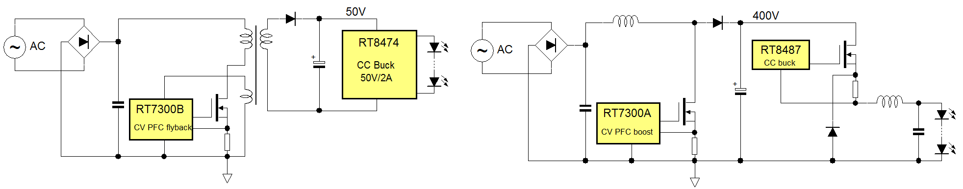
对于高功率LED驱动器且需要LED无闪烁的情况下,常需用到二级式设计:这可以是一个隔离型的PFC返驰式转换器加上在次级侧的独立的降压级,或是非隔离型PFC升压+降压等不同的组态,可参考图十七的例子。

图十七、“隔离型返驰式PFC+CC降压”与“非隔离型升压PFC+高压CC降压”的组态
7. 减少线性离线式LED驱动器中的光闪烁
由于低成本高电压LED的出现,线性离线式LED驱动器变得越来越普遍。立锜科技用于中等功率的线性LED驱动器RT7321和RT7322是使用四个高电压LED灯串,经并联或串联等动态方式连接,从而提高LED在整个工作周期中的使用率。参见图十八。

图十八、RT7321(230V)/RT7322(110V)线性LED驱动器可切换成各种LED串、并联的连接方式
由于该电路不包含任何电压缓冲器件,所以LED电流在整个电源周期中是无法连续的:在正弦波过零点时,会有一段时间LED电流降为零,这将导致闪烁。因光输出的变化不是正弦波曲线,一般所用的闪烁百分比的量化方式是非常不适合这种类型的LED驱动器。以下的例子可用来说明这一点。
图十九显示了使用RT7321CGGSP和飞利浦LUMILED高压LED于一个7W线性LED驱动器的设计。

图十九、RT7321CGGSP 在7W应用中的电路图
RT7321CGGSP在并联模式和串联模式中会分别提供20mA和40mA的电流。每个LED灯串是先串联3个24V LED,再并联另一组LED灯串,且两串维持在相同的LED电流额定值。每一灯串大约将有72V的正向电压,而这是符合RT7321 230V的应用。该电路还需要一个小的X电容和串联电阻以过滤EMI噪声,且所有组件都可安装在LED板上。图二十显示在7W应用中,LED的总电流和光输出的测量结果。

图二十、RT7321 在7W 的应用中,LED的总电流和光输出
由上图可得知,这种设计会产生很大的LED纹波,当整流过的输入电压低于LED灯串的电压时,LED电流会变为零。若用以计算闪烁百分比,则总会得到100%的结果。因为它的波形不是正弦波形,用闪烁指数是较为恰当的量化方法。
在平均值上方和下方的面积可以被测量出来,据此可以算出这种波形的闪烁指数约为0.28,而这是一个相当大的值。
可以借着加上一个小的缓冲电路来降低这种电路设计导致的闪烁。由于这种线性驱动器的设计是为了提供好的功率因数,所以若只简单地加上一个大的输入电容作为缓冲,并不是一个好的解决方案。也可以加上一个用小薄膜电容器作的填谷电路,使得当正弦波过零点期间,它能提供足够的缓冲以让LED1和LED3维持导通,也同时让功率因数保持在一个可接受的范围。图二十一是此种解决方式的电路。

图二十一
由于填谷缓冲电容器看不到全部的整流过的电源电压,所以250V的规格即可满足需要。二极管和薄膜电容器都够小,可放在LED板上;最后得到的功率因数为0.87,还是可以接受的。
图二十二是这个解决方案的LED总电流与光输出的测量结果。

图二十二、增加填谷电路后的LED总电流和光输出
现在可以看出,LED电流和光输出在正弦波过零点期间仍是连续的,光输出波形的闪烁指数约在0.2左右。虽然这仍然不如主动开关模式的解决方案效果好,但对于许多需要非常小外形尺寸的应用来说,仍是一个非常有吸引力的替代开关模式LED驱动器的方案。
8. 分析LED灯随机的光闪烁
在一些LED灯的应用中,可能会发生随机的闪烁。这个随机闪烁是间歇性的光变化,其频率不一定与电网频率相关。这种闪烁的情况通常发生在当LED灯与现有的照明外围设备,如调光器或电子变压器,一起结合使用时。
大多数现有的照明设备是针对使用传统的白炽灯或卤素灯而设计的,它们在系统中的表现如同有相当高功耗的电阻性负载。大多数LED灯具的表现却不像是电阻性负载,并且由于其较高的能源效率,它们的功率消耗非常低。把这样的LED灯具接入照明设备时,电路可能会发生错误,或是间歇性地工作,而这就会造成灯的闪烁。若要找到解决方法,必须先了解外围设备的基本电路功能,LED灯具的电路也需配合作出一些修改,使其适合于与原来的照明设备配合工作。
最典型的例子来自MR-16应用,图二十三显示了它的应用情形和其等效电路。

图二十三、MR-16灯的应用和其等效电路
电子变压器的电路是一自激谐振半桥转换器,其功率晶体管是被一个与输出变压器串联的小变压器所驱动,以取得和负载成比例的基极驱动电流。这样的电路用在电阻性负载上时会工作得非常好,因为它们能形成一个稳定的负载电流。由于晶体管的驱动和负载相关,所以该电路需要一个最小的负载电流来启动,功率从20W到60W的卤素灯都可满足这些条件。
将LED灯具与电子变压器进行连接时,各种不兼容的问题都可能发生:
1.LED灯具的输入整流级可能完全不像电阻性负载,而是一个电容器。
2.LED灯具较低的功耗无法保证电子变压器稳定的启动和连续工作。
3.电容性负载会导致大的尖峰电流,这会触发电子变压器的过流保护,导致反复的停机、启动循环过程。
图二十四所示是一个与电子变压器相连的典型的低成本MR-16 LED灯电路,它包括了一个整流级和一个降压型LED驱动器,相关的波形显示于右边的示波器图形中。

图二十四、典型的低成本MR-16 LED灯应用电路及其相关波形
在理论上,电子变压器的12V交流输出电压应足以将VCAP充电到16〜17V,降压型LED驱动器应有足够的输入电压以提供一个定电流给四个LED,然而在实际上,由上图波形可看出,电子变压器只有很短的时间在工作。因为LED灯驱动电路电容性负载的特性不能使电子变压器稳定工作,所以缓冲电容仅偶尔被高电流脉冲所充电。由于这种间歇性工作的情况,降压型转换器的输入电压偶尔会低于LED灯串的正向电压,使LED电流有短暂的向下凹陷,这就导致非常清晰可见的随机型低频闪烁。引人注目的是某些电子变压器比其他的变压器对电容性负载更为敏感,这使这类 LED灯具较适合搭配没有保护功能、简单的电子变压器。在一般情况下,许多低成本的LED灯具在连接到各种电子变压器时,都会有兼容性问题。
为解决这种不兼容的问题,LED灯具需要重新设计使其特性更像卤素灯:即输入电流必须是稳定的,并且必须满足电子变压器的最低操作电流要求。
立锜科技已开发了一些特殊的MR-16 LED驱动器,以期和电子变压器能有最佳的兼容性。这些LED驱动器都使用两级式的设计,参见图二十五:

图二十五、两级式的MR-16 LED驱动器
第一级是一个有输入电流控制与输出电压控制的升压转换器,第二级是定电流降压转换器。升压级可控制输入电流的大小,以满足电子变压器最小负载的要求,并借着使电子变压器在整个工作周期中保持在工作状态,得以提供PFC功能。如此,它的输入阻抗对电子变压器就如同电阻性负载。升压级的输出电压直接给降压级,其中C1作为缓冲组件,该电压稳定且够高,足够供应由5个高亮度LED串联起来的LED灯串。
图二十六所示为一个典型5W MR-16的应用,其中所用的RT8479C是一个二级式MR-16 LED驱动器芯片。此应用中所使用的LED灯串是由4个飞利浦LUMILED LUXEON Rebel LED串联而成的。

图二十六、RT8479C于5W MR-16的应用
RT8479C内含两个功率晶体管(MOSFET):一个用于升压级(LX1),另一个用于降压级(LX2)。升压级的操作如同固定关闭时间的峰值电流控制器,它提供最小限定输入峰值电流和自然的PFC电流调变。升压级稳定其输出电压,其中还包括了过压保护功能。降压级是一个快速迟滞恒定纹波电流的拓扑结构,它可借着高端感测电阻调节LED电流至稳定无闪烁的状态。 ACTL可通过外部调光信号来控制LED电流,也允许藉NTC电阻来达到电流控制的温度平衡。

图二十七、两级式的RT8479于MR-16应用的输入和输出波形
图二十七显示了RT8479 LED驱动器连接到电子变压器时的输入和输出波形。电子变压器在输入电源的工作周期中的大部分时间是处于工作状态的(只有在正弦波过零点时,该电路因DIAC的存在无法触发启动而有一小段时间处在非工作状态)。在右侧的放大波形显示了变压器的工作周期在叠加了升压级的开关操作以后的状况:升压级的输入电流控制使输入峰值电流保持在限定的电流值,它使变压器电路保持在工作状态。该升压级还将VCAP的电压稳定在25V,此电压值提供足够的裕量给降压级来驱动四个LED,使其有稳定、无纹波的电流供应。这种操作模式的另一个优点是输入功率因数相当高,约在0.97,又因为它没有高尖峰电流,所以整个应用电路的可靠性也提高了。
9. 简易的光闪烁测量设备
虽然测量LED电流的变化可了解LED的闪烁情形,但是最好的做法还是可以测量LED灯串实际发出的光的变化。因为要计算闪烁百分比只需要测量相对的光变化,所以可以使用简单的具有内置放大器的光传感器,其输出波形可以在示波器上看到。
图二十八是使用TSL257 IC的一个简单的光/电压转换器的线路示意图。

图二十八、光闪烁的测量装置示意图
电路中的TSL257是一个简单的具有良好的线性度的光/电压转换器IC,它可由单锂离子电池供电,使其成为可携式的测量工具。输出电压和光照强度成正比,可将其连接到示波器上,由此即可把光波动的情形直接以波形的方式显示在示波器屏幕上。TSL257的带宽是2kHz,用于光闪烁的测量是足够的,它的价钱也并不贵,可在Farnell或Digikey买到。
下面的图片说明如何构建这样的一个工具。
所需的零组件:同轴电缆线,锂离子电池,TSL257 IC,一个开关,22μF 25V电解电容,和黑色塑料盒,需在盒的顶部钻一 3mm 的孔,并将TSL257的感光窗口朝向该孔放置。
然后将传感器用非透明的环氧树脂胶固定。最后,连接所有其它零组件。
由于TSL257的高光感度,入射到传感器的光需要被衰减相当多,才适合于直接量测LED灯串的光。将数层A4纸放置在感光孔外可以导致足够的光衰减,在本测试装置中共使用了8层纸完成这一任务。

图二十九、实际的光闪烁测量
为了避免环境光线的影响,测量时应该把室内灯光都关闭。将该装置放在LED灯的上方,使得它所输出的电信号的最大值约在3V左右。当波形发生限幅的情况时,应增加光源与工具的距离,或加更多层的纸,以达到更多的光衰减。量测传感器输出信号的峰-峰值和平均值,还可用平均法消除噪声的影响。对正弦波信号而言,闪烁百分比可由下公式进行计算:

10. 结论
若要消除LED灯的光闪烁,首先要对驱动器的拓扑结构及LED的特性有充分的了解。对于单级高功率因数LED驱动器,光闪烁可以量化、测量,也可借着选择适合的组件或加入抑制LED纹波的电路而减少光闪烁。大多数的随机型闪烁是因LED灯和外围照明设备之间的兼容性问题而导致的,要解决这类光闪烁的问题,就需要对整个系统有彻底的了解。立锜提供了多种功能很强的离线式LED驱动器解决方案,它们都能提供非常好的系统兼容性,且能满足目前LED驱动器市场中对光闪烁的要求。